Skip to main content
Application-Specific Guide

Heat Treatment Verification

Complete guide to verifying heat treatment effectiveness through metallographic analysis, including case depth measurement, decarburization detection, and microstructure validation for different heat treatment processes.

Introduction

Heat treatment verification is a critical application of metallography that ensures materials have been properly heat treated to achieve desired properties. Through careful sample preparation and microstructural analysis, metallographers can verify that heat treatment processes have been executed correctly and that materials meet specified requirements.

This guide covers the metallographic techniques used to verify heat treatment effectiveness, including case depth measurement, decarburization detection, and microstructure validation. Proper sample preparation is essential for accurate verification, as preparation artifacts can mask or mimic heat treatment effects.

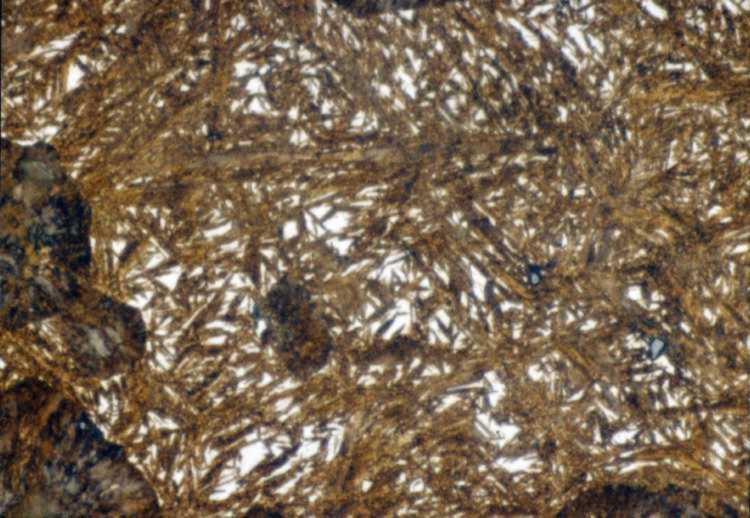
1095 Steel quenched to martensite, properly prepared and etched with Vilella's reagent at 1000X magnification

Martensite microstructure in 1095 steel after water quenching, etched with Vilella's reagent. This demonstrates the characteristic needle-like structure of martensite formed through proper heat treatment.

Key Principle: Heat treatment verification requires careful sample preparation that preserves the true microstructure and avoids artifacts that could be mistaken for heat treatment effects. Proper sectioning, mounting, grinding, polishing, and etching are all critical for accurate analysis.

Verifying Heat Treatment Effectiveness

Heat treatment verification involves multiple approaches to confirm that materials have been properly processed. The primary methods include microstructural examination, hardness testing, and dimensional analysis.

Microstructural Examination

The most direct method for verifying heat treatment is examining the microstructure:

  • Phase identification: Verify the presence of expected phases (martensite, bainite, pearlite, ferrite, etc.)
  • Grain size: Measure and compare grain size to specifications
  • Phase distribution: Assess uniformity and distribution of phases
  • Microstructural gradients: Identify transitions in case-hardened materials
  • Anomalies: Detect unexpected phases or microstructural features

Hardness Testing

Hardness measurements provide quantitative verification of heat treatment effectiveness:

  • Surface hardness: Verify surface hardness meets specifications
  • Hardness profiles: Measure hardness gradients in case-hardened materials
  • Core hardness: Verify core properties are within acceptable ranges
  • Uniformity: Check hardness consistency across the sample

For detailed information on preparing samples for hardness testing, see our Hardness Testing Preparation guide.

Microhardness tester for case depth measurements and hardness profiling

Microhardness testers (Vickers and Knoop) are essential for accurate case depth measurements. The elongated Knoop indenter is particularly useful for testing near edges and in thin case layers.

Microhardness Testers - Vickers and Knoop microhardness testers for case depth measurements and hardness profiling

Dimensional Analysis

Heat treatment can cause dimensional changes that must be verified:

  • Case depth: Measure effective case depth and total case depth
  • Distortion: Assess dimensional changes from heat treatment
  • Layer thickness: Measure thickness of surface-modified layers
Metallographic microscope for microstructural analysis and case depth measurements

High-quality metallographic microscopes with calibrated eyepieces enable accurate case depth and dimensional measurements. Essential for microstructural examination and verification.

Metallographic Microscopes - High-quality microscopes with calibrated eyepieces for accurate case depth and dimensional measurements

Verification Checklist

Before beginning verification, ensure you have:

  • Heat treatment specifications and requirements
  • Material composition and grade
  • Expected microstructure for the heat treatment
  • Hardness requirements (if applicable)
  • Case depth requirements (for case-hardened materials)
  • Reference samples (if available) for comparison

Case Depth Measurement

Case depth measurement is critical for verifying case-hardening processes such as carburizing, nitriding, carbonitriding, and induction hardening. Accurate measurement requires proper sample preparation and careful analysis.

Types of Case Depth

Different definitions of case depth are used depending on the application:

  • Total case depth: Distance from surface to point where microstructure becomes indistinguishable from core
  • Effective case depth: Distance from surface to point where hardness reaches a specified value (typically 50 HRC or 550 HV)
  • Hardness case depth: Depth to a specific hardness level
  • Microstructural case depth: Depth based on microstructural changes

Sample Preparation for Case Depth Measurement

Proper preparation is essential for accurate case depth measurements:

  • Sectioning: Cut perpendicular to the case-hardened surface to reveal the full case depth profile
  • Mounting: Use hard mounting materials (phenolic) for excellent edge retention, critical for accurate surface measurements
  • Grinding and polishing: Follow standard procedures with emphasis on maintaining flatness and edge retention
  • Edge retention: Critical for accurate surface hardness measurements and microstructural analysis at the surface

For detailed edge retention techniques, refer to the Hardness Testing Preparation guide.

Phenolic mounting resins for excellent edge retention

Hard phenolic mounting resins provide excellent edge retention, critical for accurate case depth and decarburization measurements.

Diamond polishing compounds for scratch-free surfaces

High-quality diamond polishing compounds create scratch-free surfaces essential for microhardness testing and accurate microstructural analysis.

Phenolic Mounting Resins - Hard phenolic resins provide excellent edge retention essential for case depth measurements

Diamond Polishing Compounds - High-quality diamond polishing compounds for scratch-free surfaces required for microhardness testing

Measurement Methods

Microhardness Traverse Method

The most accurate method for measuring effective case depth:

  1. Prepare sample with excellent edge retention
  2. Make microhardness measurements at increasing depths from the surface
  3. Start at or very near the surface (typically 0.05-0.1 mm)
  4. Continue measurements at regular intervals (0.05-0.1 mm spacing)
  5. Continue until hardness reaches core level
  6. Plot hardness vs. depth and determine effective case depth

Knoop hardness is often preferred for case depth measurements because the elongated indenter allows testing closer to edges and provides better resolution in thin case layers. This is particularly important when measuring the effective case depth, which requires accurate hardness measurements starting at or very near the surface.

Ferrite-pearlite steel microstructure showing proper preparation for case depth analysis

Properly prepared and etched steel microstructure showing ferrite and pearlite. Such preparation quality is essential for accurate case depth measurements and microstructural analysis.

Microstructural Method

Visual measurement based on microstructural changes:

  1. Etch sample to reveal case/core boundary
  2. Examine at appropriate magnification (typically 100-200x)
  3. Measure distance from surface to where microstructure changes
  4. Use calibrated eyepiece or image analysis software

This method is less precise than hardness traverse but faster and useful for quality control.

Combined Method

The most comprehensive approach combines both methods:

  • Use microhardness traverse for quantitative effective case depth
  • Use microstructural examination to verify case/core boundary
  • Compare results to ensure consistency
  • Document both measurements in report

Common Case-Hardening Processes

Process Typical Case Depth Key Microstructural Features Preferred Etchant
Carburizing 0.5-3.0 mm High-carbon martensite in case, ferrite/pearlite in core Nital (2-4%)
Nitriding 0.1-0.8 mm Compound layer (white layer), diffusion zone Nital, or unetched
Carbonitriding 0.1-0.8 mm Martensite with retained austenite Nital (2-4%)
Induction Hardening 1-10 mm Martensite in case, original core structure Nital (2-4%)
Flame Hardening 1-10 mm Martensite in case, original core structure Nital (2-4%)

Best Practice: For case depth measurements, prepare multiple samples and take measurements at several locations to account for variations. Report both average and range of measurements.

Decarburization Detection

Decarburization is the loss of carbon from the surface of steel during heat treatment, resulting in a soft surface layer that can compromise component performance. Detecting and measuring decarburization is essential for quality control.

What is Decarburization?

Decarburization occurs when carbon diffuses out of the steel surface during heating in oxidizing or decarburizing atmospheres. This creates a surface layer with lower carbon content than the core material.

  • Partial decarburization: Gradual decrease in carbon content from surface to core
  • Total decarburization: Complete loss of carbon at the surface, resulting in pure ferrite layer
  • Selective decarburization: Decarburization of specific phases (e.g., pearlite)

Microstructural Identification

Decarburization is identified by microstructural changes:

  • Ferrite layer: Pure ferrite at the surface (total decarburization)
  • Reduced pearlite: Decreased pearlite content near surface (partial decarburization)
  • Grain size differences: Often coarser ferrite grains in decarburized zone
  • Microhardness gradient: Lower hardness at surface, increasing toward core
Pearlite and ferrite microstructure showing proper preparation for decarburization detection

Pearlite and ferrite microstructure. Decarburization would appear as a surface layer with reduced pearlite content or pure ferrite, requiring careful preparation and etching to reveal.

Sample Preparation for Decarburization Detection

Proper preparation is critical for accurate decarburization measurement:

  • Sectioning: Cut perpendicular to the surface to reveal the full decarburization depth
  • Mounting: Use hard mounting materials for edge retention
  • Grinding and polishing: Standard procedures with emphasis on edge retention and flatness
  • Minimize artifacts: Avoid preparation artifacts that could be mistaken for decarburization
Silicon carbide grinding papers for progressive grinding

Progressive silicon carbide grinding papers remove sectioning damage while preserving surface features essential for decarburization detection.

Silicon Carbide Grinding Papers - Progressive grinding papers for removing sectioning damage while preserving surface features

Etching for Decarburization

Proper etching is essential to reveal decarburization:

  • Nital (2-4%): Most common etchant for carbon steels
  • Picral: Alternative etchant that better reveals pearlite
  • Light etching: Use lighter etching to avoid over-etching the decarburized surface
  • Multiple etches: May need to try different etchants or etching times to optimize contrast

Measurement Methods

Microstructural Method

Visual measurement of decarburization depth:

  1. Etch sample to reveal microstructure
  2. Examine at 100-200x magnification
  3. Identify the depth where microstructure returns to normal
  4. Measure from surface to this point
  5. Take measurements at multiple locations

Microhardness Method

Quantitative measurement using hardness traverse:

  1. Make microhardness measurements from surface into core
  2. Identify depth where hardness reaches core level
  3. This depth represents the effective decarburization depth

This method is more objective and quantitative than microstructural measurement.

Acceptance Criteria

Decarburization limits depend on application:

  • General applications: Typically 0.1-0.5 mm maximum
  • Critical applications: Often 0.05-0.1 mm maximum
  • Bearing applications: Very strict limits, often near zero
  • Specifications: Always refer to material or component specifications

Important: Decarburization can be removed by machining, but this must be accounted for in component design. Verify that sufficient material remains after machining to remove decarburization.

Microstructure Validation for Different Heat Treatment Processes

Different heat treatment processes produce characteristic microstructures that can be verified through metallographic examination. Understanding expected microstructures is essential for accurate verification.

Quenching and Tempering

Quenching and tempering produces martensite that is tempered to various hardness levels:

  • As-quenched: Martensite with possible retained austenite
  • Low temper (150-250°C): Tempered martensite, high hardness
  • Medium temper (300-450°C): Tempered martensite, moderate hardness
  • High temper (500-650°C): Tempered martensite approaching spheroidized structure, lower hardness

Verification: Examine for uniform martensite structure, appropriate tempering response, and absence of untempered martensite in high-temper applications.

1095 Steel quenched to martensite showing characteristic needle-like structure

Martensite in 1095 steel after water quenching, etched with Vilella's reagent. This characteristic needle-like structure is typical of quenched and tempered steels.

Normalizing

Normalizing produces fine pearlite and ferrite:

  • Microstructure: Fine pearlite in ferrite matrix
  • Grain size: Refined, uniform grain structure
  • Uniformity: Consistent microstructure throughout

Verification: Check for fine, uniform pearlite-ferrite structure and absence of coarse structures or banding.

Annealing

Annealing produces soft, ductile microstructures:

  • Full annealing: Coarse pearlite and ferrite
  • Spheroidize annealing: Spheroidized carbides in ferrite matrix
  • Process annealing: Recrystallized ferrite with fine carbides

Verification: Verify soft microstructure, appropriate grain size, and absence of hard phases.

Case Hardening (Carburizing)

Carburizing produces high-carbon case with martensite:

  • Case: High-carbon martensite, possible retained austenite
  • Core: Low-carbon martensite or ferrite/pearlite
  • Transition: Gradual transition from case to core

Verification: Check case depth, case/core hardness, microstructure uniformity, and absence of excessive retained austenite.

Nitriding

Nitriding produces a hard surface layer without quenching:

  • Compound layer (white layer): Very hard, brittle surface layer
  • Diffusion zone: Hardened zone beneath compound layer
  • Core: Original microstructure (typically tempered martensite)

Verification: Measure compound layer thickness, diffusion zone depth, and verify core microstructure is unchanged.

Induction and Flame Hardening

Surface hardening processes that create martensite at the surface:

  • Case: Martensite (may contain retained austenite)
  • Transition zone: Mixed martensite and original structure
  • Core: Original microstructure unchanged

Verification: Measure case depth, verify martensite in case, check for proper transition, and confirm core is unaffected.

Bainitic Heat Treatment

Produces bainite, a structure between pearlite and martensite:

  • Upper bainite: Feathery or acicular structure
  • Lower bainite: Acicular structure with carbides
  • Mixed structures: May contain bainite, martensite, and retained austenite

Verification: Identify bainite structure, verify absence of unwanted phases, and check uniformity.

Austempering

Produces bainite through isothermal transformation:

  • Microstructure: Bainite (upper or lower depending on temperature)
  • Uniformity: Should be uniform throughout
  • Absence of martensite: No martensite should be present

Verification: Verify bainite structure, check for uniformity, and confirm absence of martensite or pearlite.

Key Principle: Always compare observed microstructure with expected microstructure for the specific heat treatment. Reference samples and microstructural atlases are valuable for identification.

Sample Preparation for Heat Treatment Verification

Proper sample preparation is critical for accurate heat treatment verification. Preparation must preserve the true microstructure and avoid artifacts that could be mistaken for heat treatment effects.

Sectioning

Sectioning considerations for heat treatment verification:

  • Orientation: Cut perpendicular to surfaces of interest (e.g., perpendicular to case-hardened surface)
  • Location: Section through areas of interest (case/core transition, surface for decarburization, etc.)
  • Minimize damage: Use appropriate cutting speeds and coolant to prevent overheating or work hardening
  • Preserve features: Avoid cutting through critical areas if multiple sections are needed
Abrasive cutters for sectioning heat-treated samples

Abrasive cutters for sectioning heat-treated samples. Proper sectioning orientation and cutting parameters are critical to preserve microstructural features and avoid damage.

Mounting

Mounting considerations:

  • Hard mounting materials: Use phenolic or other hard resins for excellent edge retention (critical for case depth and decarburization measurements)
  • Edge retention: Essential for accurate surface measurements
  • Sample orientation: Mount so surface of interest is perpendicular to mount base
  • Multiple samples: Consider mounting multiple samples together for comparison
Mounting materials and equipment for heat treatment verification

Mounting materials and equipment. Hard phenolic resins provide excellent edge retention essential for case depth measurements and decarburization detection.

Phenolic Mounting Resins - Hard phenolic resins provide excellent edge retention essential for heat treatment verification

Grinding

Standard grinding procedures apply:

  • Progressive sequence: 120, 240, 400, 600 grit
  • Rotate 90°: Between each grit to ensure complete scratch removal
  • Edge preservation: Use lighter pressure near edges to maintain edge retention
  • Adequate time: Spend sufficient time at each step to remove all previous scratches

Silicon Carbide Grinding Papers - Progressive grinding papers for removing sectioning damage while preserving microstructural features

Polishing

Polishing requirements:

  • Standard sequence: 9 μm, 3 μm, 1 μm diamond, then 0.05 μm colloidal silica
  • Flatness: Critical for accurate measurements and microhardness testing
  • Edge retention: Use lighter pressure and shorter times near edges
  • Scratch-free: Essential for microhardness testing and accurate microstructural examination
  • Avoid over-polishing: Can create relief and affect flatness
Diamond polishing compounds for heat treatment verification

Diamond polishing compounds create scratch-free surfaces required for accurate microhardness testing and microstructural examination.

Colloidal silica for final polishing

Colloidal silica provides final polishing for mirror-like surfaces essential for microhardness testing, especially Knoop testing for case depth measurements.

Diamond Polishing Compounds - High-quality diamond polishing compounds for scratch-free surfaces required for heat treatment verification

Colloidal Silica - Final polishing suspension for achieving mirror-like surfaces essential for microhardness testing

Special Considerations

  • Retained austenite: May require special preparation to preserve and reveal
  • Brittle phases: Some heat-treated materials are brittle and require careful handling
  • Multiple phases: Materials with multiple phases may show relief during polishing
  • Surface features: Preserve surface features when examining decarburization or case depth

Tip: For case depth measurements, prepare the sample as you would for microhardness testing. Excellent edge retention and flatness are essential.

Etching Considerations

Proper etching is essential for revealing microstructures and heat treatment effects. Different heat treatments and materials require different etchants and techniques.

Common Etchants for Heat-Treated Steels

Etchant Composition Applications Reveals
Nital 2-4% HNO₃ in ethanol Carbon steels, low-alloy steels Ferrite, pearlite, martensite boundaries
Picral 4% picric acid in ethanol Carbon steels, pearlite Pearlite, carbides
Vilella's 1g picric acid, 5ml HCl, 100ml ethanol Martensite, bainite Martensite laths, bainite
Sodium Metabisulfite 10% Na₂S₂O₅ in water Retained austenite Retained austenite (white)
Klemm's I 50ml sat. Na₂S₂O₅, 1g K₂S₂O₅ Retained austenite Retained austenite (colored)

Etching Techniques

  • Light etching: Use shorter times or lighter concentrations for delicate structures or surface features
  • Progressive etching: Etch lightly, examine, then re-etch if needed
  • Multiple etchants: May need to try different etchants to optimize contrast for specific features
  • Etching time: Vary etching time to achieve optimal contrast
  • Temperature: Some etchants work better at specific temperatures

Special Considerations

  • Retained austenite: Requires special etchants (sodium metabisulfite, Klemm's) to reveal and distinguish from martensite
  • Case/core transition: May need to optimize etching to clearly show the transition
  • Decarburization: Light etching often works best to reveal the decarburized layer
  • Nitrided surfaces: Compound layer may not etch or may require special techniques

For more information on etching techniques, see our Etching Procedures guide.

Etching reagents for revealing heat treatment microstructures

High-quality etching reagents including Nital, Picral, Vilella's, and specialized etchants for revealing martensite, bainite, and other heat treatment microstructures.

Etching Reagents - High-quality etching reagents including Nital, Picral, and specialized etchants for heat-treated steels

Common Heat Treatment Processes and Verification

This section provides specific guidance for verifying common heat treatment processes.

Quench and Temper Verification

Expected microstructure: Tempered martensite (acicular structure)

Verification steps:

  1. Examine microstructure for tempered martensite
  2. Check for uniformity throughout
  3. Verify absence of untempered martensite (if high temper)
  4. Measure hardness and compare to specifications
  5. Check for excessive retained austenite (if applicable)

Carburizing Verification

Expected microstructure: High-carbon martensite in case, low-carbon structure in core

Verification steps:

  1. Measure case depth (microhardness traverse and microstructural)
  2. Verify case microstructure (high-carbon martensite)
  3. Check core microstructure (should be appropriate for core composition)
  4. Measure case and core hardness
  5. Check for excessive retained austenite in case
  6. Verify case/core transition is appropriate
  7. Check for decarburization (should be minimal or absent)

Nitriding Verification

Expected microstructure: Compound layer (white layer) at surface, diffusion zone beneath

Verification steps:

  1. Measure compound layer thickness (typically 5-25 μm)
  2. Measure diffusion zone depth
  3. Verify core microstructure is unchanged
  4. Check for excessive compound layer (can be brittle)
  5. Measure surface hardness
  6. Verify uniformity of nitrided layer

Induction Hardening Verification

Expected microstructure: Martensite in case, original structure in core

Verification steps:

  1. Measure case depth
  2. Verify martensite in case
  3. Check core microstructure (should be original structure)
  4. Measure case and core hardness
  5. Verify transition zone is appropriate
  6. Check for proper case coverage

Annealing Verification

Expected microstructure: Soft structure (pearlite/ferrite or spheroidized)

Verification steps:

  1. Verify soft microstructure (pearlite/ferrite or spheroidized)
  2. Check grain size (should be appropriate for annealing type)
  3. Measure hardness (should be low)
  4. Verify absence of hard phases (martensite, bainite)
  5. Check for uniformity

Troubleshooting

Common problems encountered during heat treatment verification and their solutions:

Common Issues and Solutions

Problem Causes Solutions
Poor edge retention for case depth measurement
  • Soft mounting material
  • Excessive polishing pressure
  • Over-polishing
  • Use hard mounting material (phenolic)
  • Reduce polishing pressure, especially near edges
  • Reduce polishing time
Cannot distinguish case/core boundary
  • Inadequate etching
  • Wrong etchant
  • Over-etching
  • Try different etchants
  • Optimize etching time
  • Use progressive etching
Inconsistent case depth measurements
  • Variations in heat treatment
  • Measurement location
  • Measurement technique
  • Take multiple measurements
  • Measure at consistent locations
  • Use standardized measurement technique
Decarburization difficult to see
  • Light decarburization
  • Inadequate etching
  • Wrong etchant
  • Use picral to better reveal pearlite
  • Try lighter etching
  • Use microhardness traverse method
Cannot identify microstructure
  • Insufficient knowledge
  • Complex microstructure
  • Inadequate etching
  • Consult microstructural atlases
  • Compare with reference samples
  • Try different etchants
  • Seek expert consultation
Surface damage affecting measurements
  • Sectioning damage
  • Grinding damage
  • Preparation artifacts
  • Remove adequate material during grinding
  • Use proper cutting parameters
  • Remove damaged layer completely

Quality Verification Checklist

Before reporting heat treatment verification results, verify:

  • Sample preparation quality: Scratch-free, flat surface, good edge retention
  • Etching quality: Proper contrast, not over-etched or under-etched
  • Measurement accuracy: Calibrated equipment, proper technique
  • Multiple measurements: Take measurements at multiple locations
  • Documentation: Clear micrographs with scale bars, detailed notes
  • Comparison: Compare with specifications and reference samples

Continue Your Learning

Ready to learn more about metallographic techniques? Explore our comprehensive guides on sample preparation, or use our tools and resources to support your metallographic work.