Skip to main content
Application-Specific Guide

Castings and Foundry Analysis

Complete guide to metallographic analysis of cast materials including solidification structure analysis, dendrite arm spacing measurement, casting defect identification, and grain size control.

Overview: Metallographic analysis of cast materials requires specialized techniques to evaluate solidification structures, measure dendrite arm spacing, identify casting defects, and assess grain size control. This guide covers the essential methods for analyzing foundry products.

Introduction to Castings Analysis

Cast materials present unique challenges and opportunities for metallographic analysis. Unlike wrought materials, castings retain the solidification structure from their formation, providing valuable information about the casting process, cooling conditions, and material quality. Understanding these structures is essential for quality control, process optimization, and failure analysis in foundry operations.

The microstructure of cast materials is directly influenced by the solidification process, which creates characteristic features such as dendrites, grain boundaries, and segregation patterns. These features can be analyzed to understand the casting conditions, predict material properties, and identify potential issues.

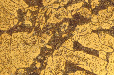
Dendrite structure in cast material showing tree-like crystal growth during solidification

Dendrite structure in cast material. The tree-like crystal growth pattern is characteristic of solidification and provides information about cooling conditions and casting quality.

Key aspects of castings analysis include:

  • Solidification structure characterization
  • Dendrite arm spacing (DAS) measurement
  • Casting defect identification and classification
  • Grain size and morphology evaluation
  • Segregation and microstructural heterogeneity assessment

Solidification Structure Analysis

Understanding Solidification Structures

Solidification structures in cast materials reflect the conditions under which the material cooled and solidified. The primary solidification structure consists of dendrites, which are tree-like crystalline structures that grow during solidification. The morphology and size of these dendrites provide critical information about cooling rates and casting conditions.

Gray cast iron microstructure showing solidification structure and graphite flakes

Gray cast iron, 2% nital, 400X magnification. This microstructure shows the solidification structure typical of cast materials, with graphite flakes distributed in the ferrite matrix.

Types of Solidification Structures

1. Columnar Dendrites

Columnar dendrites grow perpendicular to the mold wall and are characteristic of directional solidification:

  • Formed under moderate to high cooling rates
  • Exhibit directional growth from the mold wall
  • Common in sand castings and permanent mold castings
  • Indicate unidirectional heat extraction

2. Equiaxed Grains

Equiaxed grains form when solidification occurs uniformly in all directions:

  • Formed under rapid cooling or with grain refiners
  • No preferred growth direction
  • Common in investment castings and die castings
  • Generally provide more uniform properties

3. Mixed Structures

Many castings exhibit a combination of columnar and equiaxed zones:

  • Columnar zone near mold walls (chill zone)
  • Equiaxed zone in the center (equiaxed zone)
  • Transition zone between the two
  • Zone thickness indicates cooling conditions

Analyzing Solidification Structures

To properly analyze solidification structures:

  • Select sections that represent different regions of the casting (surface, mid-thickness, center)
  • Prepare samples to reveal the full solidification structure
  • Use appropriate etching to highlight dendrite boundaries
  • Document the structure at multiple magnifications
  • Measure zone thicknesses and transition regions
  • Correlate structure with casting process parameters

Interpreting Solidification Structures

The solidification structure provides information about:

  • Cooling rate: Faster cooling produces finer structures
  • Temperature gradient: Steep gradients favor columnar growth
  • Mold material: Metal molds produce different structures than sand molds
  • Pouring temperature: Higher temperatures can affect grain size
  • Alloy composition: Some elements promote equiaxed structures

Dendrite Arm Spacing Measurement

What is Dendrite Arm Spacing?

Dendrite Arm Spacing (DAS) is the distance between adjacent secondary dendrite arms, measured perpendicular to the primary dendrite stem. DAS is a critical parameter because it directly correlates with cooling rate and affects mechanical properties. Finer DAS (smaller spacing) indicates faster cooling and generally results in improved mechanical properties.

Dendrite structure showing primary and secondary arms for DAS measurement

Dendrite structure showing primary and secondary arms. The spacing between secondary arms (DAS) is measured perpendicular to the primary dendrite stem and correlates with cooling rate and mechanical properties.

Types of Dendrite Arm Spacing

1. Primary Dendrite Arm Spacing (PDAS)

The spacing between primary dendrite stems:

  • Measured perpendicular to the growth direction
  • Larger spacing than secondary arms
  • Indicates overall solidification conditions
  • Typically ranges from 50 to 500 micrometers

2. Secondary Dendrite Arm Spacing (SDAS)

The spacing between secondary dendrite arms:

  • Most commonly measured parameter
  • More sensitive to local cooling conditions
  • Directly related to mechanical properties
  • Typically ranges from 10 to 200 micrometers

Measurement Methods

Linear Intercept Method

The most common method for measuring DAS:

  1. Prepare a metallographic sample with proper etching to reveal dendrites
  2. Place a test line or grid over the microstructure image
  3. Count the number of dendrite arm boundaries intersected by the line
  4. Measure the total line length
  5. Calculate DAS = (total line length) / (number of intersections)
  6. Repeat measurements in multiple locations and orientations
  7. Report the average and standard deviation

Area Method

An alternative method using area measurements:

  1. Identify a representative area containing multiple dendrite arms
  2. Count the number of dendrite arms in the area
  3. Measure the area
  4. Calculate DAS based on the square root of (area / number of arms)
  5. Use this method when dendrites are well-defined and uniformly distributed

Best Practices for DAS Measurement

  • Use high-quality sample preparation to clearly reveal dendrite boundaries
  • Select representative areas avoiding casting defects
  • Make measurements at consistent locations (e.g., mid-thickness)
  • Take multiple measurements (minimum 20-30) for statistical validity
  • Measure in different orientations to account for anisotropy
  • Use calibrated image analysis software when available
  • Document measurement conditions and locations
  • Report both mean and standard deviation values

Tip: Accurate DAS measurement requires excellent sample preparation and proper etching to clearly reveal dendrite boundaries. Use high-quality polishing to avoid artifacts that could interfere with measurements.

Factors Affecting DAS

DAS is influenced by several factors:

  • Cooling rate: Faster cooling produces smaller DAS
  • Alloy composition: Some elements affect dendrite growth
  • Mold material: Metal molds produce finer DAS than sand molds
  • Section thickness: Thinner sections cool faster, producing finer DAS
  • Location in casting: Surface regions typically have finer DAS than center
  • Heat treatment: Can alter or eliminate dendrite structure

Correlation with Properties

DAS correlates with mechanical properties:

  • Strength: Finer DAS generally increases yield and tensile strength
  • Ductility: Finer DAS can improve elongation and reduction of area
  • Toughness: Finer DAS typically improves impact toughness
  • Fatigue: Finer DAS can improve fatigue resistance
  • These relationships vary by alloy system and should be established experimentally

Casting Defect Identification

Common Casting Defects

Casting defects can significantly affect material properties and performance. Proper identification and classification are essential for quality control and process improvement. Defects can be categorized by their origin, appearance, and impact on properties.

Porosity Defects

1. Gas Porosity

Spherical or rounded pores caused by trapped gas:

  • Appearance: Round or spherical voids, often near the surface
  • Causes: Hydrogen pickup, air entrainment, mold gas evolution
  • Identification: Smooth, rounded surfaces; may be interconnected
  • Impact: Reduces load-bearing area, stress concentrators
  • Prevention: Proper degassing, mold venting, reduced moisture

Note: Porosity in castings can be difficult to distinguish from preparation artifacts. Ensure proper sample preparation to avoid introducing artifacts that could be mistaken for casting defects.

2. Shrinkage Porosity

Irregular voids caused by inadequate feeding during solidification:

  • Appearance: Irregular, dendritic, or interconnected voids
  • Causes: Insufficient riser size, poor gating design, rapid solidification
  • Identification: Angular, irregular shapes; often in last-to-freeze regions
  • Impact: Significant reduction in mechanical properties
  • Prevention: Proper riser design, directional solidification, chills

Inclusion Defects

1. Oxide Inclusions

Non-metallic inclusion particles trapped in the casting:

  • Appearance: Dark, irregular particles or stringers
  • Causes: Oxidation during melting, poor fluxing, turbulence
  • Identification: Dark appearance, often aligned with flow direction
  • Impact: Reduces ductility, fatigue strength, and machinability
  • Prevention: Proper fluxing, reduced turbulence, protective atmospheres
Oxide inclusion in cast material showing dark irregular particles

Oxide inclusion in cast material. Inclusions appear as dark, irregular particles and can significantly affect material properties.

2. Slag Inclusions

Slag particles from the melting process:

Segregation Defects

1. Inverse Segregation

Concentration of alloying elements near the surface:

2. Centerline Segregation

Concentration of elements in the center of the casting:

Surface and Shape Defects

1. Cold Shuts

Incomplete fusion between two metal streams:

2. Hot Tears

Cracks formed during solidification:

Defect Analysis Techniques

To properly identify and analyze casting defects:

Equipment Note: Metallurgical microscopes are essential for detailed analysis of cast materials. They allow examination of solidification structures, dendrite spacing, and casting defects at various magnifications. Digital imaging capabilities are particularly useful for DAS measurements and defect documentation.

Metallurgical Microscopes - High-quality microscopes for analyzing cast materials, measuring DAS, and identifying casting defects

Defect Classification Standards

Several standards provide guidance for defect classification:

Grain Size Control in Cast Materials

Importance of Grain Size Control

Grain size significantly affects the mechanical properties of cast materials. Fine-grained structures generally provide better strength, ductility, and toughness. Understanding and controlling grain size is essential for producing high-quality castings with consistent properties.

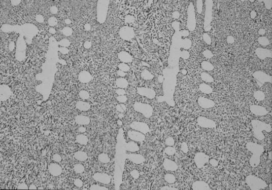
Nodular cast iron showing grain structure and nodular graphite

Nodular cast iron, 2% nital, 400X magnification (DIC). This microstructure demonstrates grain structure control in cast materials, with nodular graphite distributed in the ferrite matrix.

Factors Affecting Grain Size

1. Cooling Rate

Faster cooling rates produce finer grains:

2. Grain Refiners

Additions that promote nucleation:

3. Pouring Temperature

Temperature at which metal is poured:

4. Alloy Composition

Some elements naturally promote fine grains:

Grain Size Measurement Methods

1. Linear Intercept Method (ASTM E112)

The standard method for grain size measurement:

  1. Prepare sample with appropriate etching to reveal grain boundaries
  2. Place test lines or circles over the microstructure
  3. Count grain boundary intersections
  4. Calculate mean intercept length
  5. Convert to ASTM grain size number (G)
  6. Report average and standard deviation

See our grain size calculator tool for assistance with these calculations.

2. Planimetric Method

Counting grains within a known area:

  1. Count the number of grains in a known area
  2. Account for grains on boundaries (count as 0.5)
  3. Calculate grains per unit area
  4. Convert to ASTM grain size number

3. Comparison Method

Comparing with standard charts:

Grain Size Control Techniques

1. Process Control

Tip: The relationship between cooling rate and grain size follows the Hall-Petch relationship, where finer grains generally provide improved mechanical properties. Controlling the casting process parameters directly affects the final grain structure.

2. Grain Refinement

3. Heat Treatment

Grain Size Specifications

Grain size requirements vary by application:

Grain Size and Properties

The Hall-Petch relationship describes the effect of grain size on strength:

Sample Preparation for Castings

Special Considerations for Cast Materials

Cast materials require careful sample preparation to preserve the solidification structure and reveal casting defects. The preparation process must avoid introducing artifacts that could be mistaken for casting features.

Sectioning

When sectioning cast samples:

Sectioning equipment and consumables for cast materials

Sectioning equipment and consumables. Proper sectioning is critical for preserving casting features and defects during sample preparation.

Refer to our sectioning guide for detailed techniques.

Abrasive Sectioning Equipment - Automated and manual cutters for sectioning cast materials while preserving microstructure

Mounting

Mounting considerations for castings:

Mounting materials for cast samples

Mounting materials for cast samples. Vacuum impregnation may be necessary for porous castings to preserve defect structure.

See our mounting guide for more information.

Mounting Materials - Compression and castable mounting materials suitable for cast materials, including vacuum impregnation systems for porous samples

Grinding and Polishing

Grinding and polishing cast materials:

Grinding and polishing consumables for cast materials

Grinding and lapping consumables. Progressive grinding removes sectioning damage while preserving casting features like dendrites and defects.

See our grinding and polishing guides for detailed procedures.

Grinding and Polishing Consumables - Silicon carbide papers, diamond suspensions, and polishing pads for preparing cast materials

Preserving Casting Features

Special techniques to preserve casting features:

Polishing Pads - Specialized polishing pads for maintaining feature definition in cast materials, including low-nap options for preserving dendrite structure

Etching Techniques for Cast Materials

Etching Objectives

Etching cast materials serves several purposes:

Common Etchants for Cast Materials

Aluminum Castings

Common cast aluminum alloys include 6061 and 7075, though many foundry-specific alloys are used. Etching techniques vary by alloy composition:

Aluminum-silicon cast alloy microstructure etched with Keller's reagent showing grain boundaries and silicon phase

Aluminum-silicon cast alloy, Keller's reagent, 400X magnification. This microstructure demonstrates proper etching to reveal grain boundaries and silicon phase distribution in cast aluminum.

Steel and Cast Iron Castings

Cast steels and cast irons including ductile cast iron (nodular iron) and white cast iron require specific etching techniques:

White cast iron microstructure showing cementite and pearlite structure

White cast iron, as-polished, 400X magnification. Cast iron microstructures require appropriate etching to reveal the solidification structure and phase distribution.

Gray cast iron at high magnification showing graphite flakes and matrix structure

Gray cast iron, 2% nital, 1000X magnification. High magnification reveals the detailed structure of graphite flakes and the ferrite/pearlite matrix.

Etchants and Chemical Reagents - Chemical etchants for revealing microstructures in cast materials including aluminum, steel, and cast iron alloys

Copper Alloy Castings

Cast copper alloys including bronzes and brasses require specific etching techniques:

Manganese-aluminum bronze cast alloy microstructure showing phase distribution

Manganese-aluminum bronze, alcoholic ferric chloride, 400X magnification. This cast bronze alloy shows the complex phase structure typical of cast copper alloys.

Etching for Specific Features

Revealing Dendrite Structure

To clearly reveal dendrite boundaries:

Highlighting Segregation

To reveal segregation patterns:

Defect Identification

Etching can help identify casting defects:

See our etching procedures guide and etchant database for more information on specific etchants.

Standards and References

Several standards provide guidance for castings analysis:

Refer to our ASTM standards reference for more information.

Conclusion

Metallographic analysis of cast materials provides essential information about solidification structure, casting quality, and material properties. Understanding how to analyze solidification structures, measure dendrite arm spacing, identify casting defects, and evaluate grain size is critical for quality control and process optimization in foundry operations.

Key points for successful castings analysis:

For more information on metallographic techniques, see our guides on sectioning, grinding, polishing, etching, and microstructural analysis.

Continue Your Learning

Ready to learn more about metallographic techniques? Explore our comprehensive guides on sample preparation, or use our tools and resources to support your metallographic work.